Входной фильтр Grundfos применяется для защиты насоса от песка, гравия или другого мусора при перекачке дождевой или колодезной воды. Квадратная сетка фильтра для насосной установки Scala обеспечивает равномерный поток по всей поверхности самого картриджа, что сводит возможность засорения к минимуму. Гладкая поверхность позволяет с легкостью прочистить и промыть фильтр. Эффективность фильтрации составляет 80%. Фильтр входной к насосу Грундфос Скала 1 предназначен для многократного использования без снижения эффективности.
Технические характеристики
- Материал внутреннего ядра - полипропилен с тальком и сварной нейлоновой сетки
- Рейтинг фильтра: 250 µ
- Эффективность фильтра: 80%
- Макс. рабочее давление: 8 бар
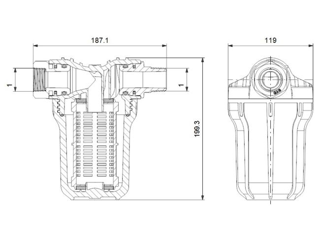
- Диаметр входного соединения: 1"
- Диаметр выходного соединения: 1"
- Вес: 0,95 кг
