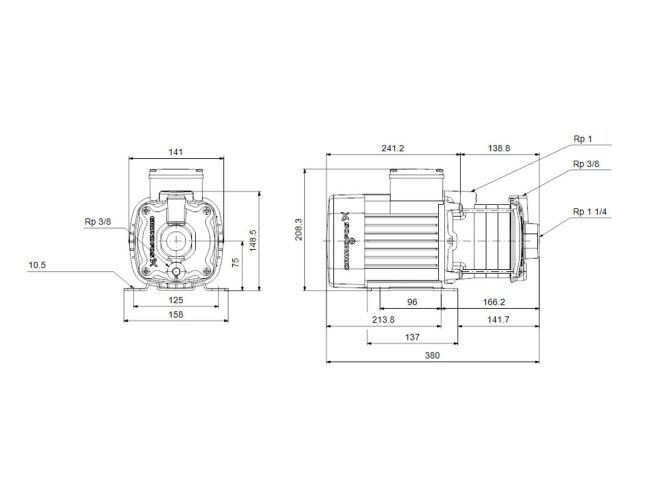
Горизонтальный насос Grundfos СМ 5-5 представляет собой компактный горизонтальный многоступенчатый центробежный насос. Насос СМ 5-5 применяется для небольших систем полива, наполнения бассейнов, резервуаров; систем, которые не требуют значительного повышения давления. Grundfos CM также будет полезен как для установок в частных домах, так и в промышленных системах. Основными преимуществами СМ 5-5 Grundfos являются высокий КПД и высокая надежность, низкий уровень шума, компактная конструкция, а также исполнение основных деталей из нержавеющей стали. СМ 5-5Grundfos оснащен 1-фазным электродвигателем 220V, 50 Hz, монтируемым на лапах. Характеристики насоса СМ: всасывающий канал – осевой,выпускной канал – радиальный. Торцевое уплотнение вала – AQQE, особой конструкции. Вал, рабочие колеса, камеры и пробки заливочных отверстий – нержавеющая сталь. Всасывающий и нагнетательный трубопроводы - чугун.
Технические характеристики Grundfos CM:
Частота вращения: 2900 об/м;
Уплотнение вала: AQQE.
Материалы:
Корпус насоса: чугун;
Рабочее колесо: нержавеющая сталь;
Резина: EPDM.
Жидкость:
Диапазон температур жидкости: -20..90 °C;
Плотность: 1000 кг/м3
Данные электрооборудования:
Номинальная мощность: 900 Вт;
Номинальный ток: 5,4-5,0 А;
Номинальная скорость: 2750-2790 об/мин;
Номинальное напряжение: 1 x 200-240 V;
Частота: 50 Hz;
Класс защиты (IEC 34-5): 55;
Класс изоляции (IEC 85): F;
Полный вес: 17,4 кг.
Монтаж:
Максимальная температура окружающей среды: 55 °C;
Максимальное рабочее давление: 10 бар;
Максимальное давление при заданной температуре: 10 бар/ 90 °C;
Стандартный фланец: без резьбы RP;
Вход насоса: Rp 1 1/4 ”;
Выход насоса: Rp 1 ”.
